imhififan
| Member since | Oct 02, 2002 |
|---|---|
| Country | USA |
Systems
Meridian 105 power supply
Meridian 105 parallel power supply mod. https://www.mouser.com/datasheet/2/240/Littelfuse_Power_Semiconductor_Schottky_Diode_DSTF-908314.pdf https://www.mouser.com/datasheet/2/240/Littelfuse_Po...
a System
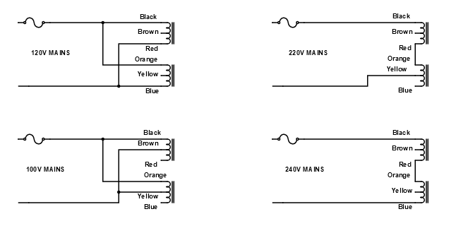
Accuphase E-370 Mains Voltage 100V Mains = J1 , J2 , J3 120V Mains = J2 , J4 , J5 220V Mains = J1 , J6 240V Mains = J4 , J6
Amplifier Selector
Amplifier Selector with dummy load for safely switching between two tube/SS amplifier to one pair of speaker.
| Discussions (Showing 5 out of 2) | Last word | Posts |
|---|---|---|
| Litz Wire Air Core Inductor | spatialking | 1 |
| MarkLevinson331 BiAmp or Jeff Rowland 7 for MG3,6R | tireguy | 3 |
| Responses (Showing 5 out of 652) | Last word | Posts |
|---|---|---|
| Thiel cs2.4 upgrade to cs 2.4 se | andy2 | 132 |
| Noob McIntosh Speaker Connection Question | fredlobo | 2 |
| Minor Vintage Repair? | sleepwalker65 | 17 |
| RIAA, Questions only please | atmasphere | 58 |

